2008 Jeep Wrangler Unlimited Radio Wiring Diagram Imageservice Vp44 Xa 1571 W205
    	          2012 jeep wrangler radio wiring diagram : 2012 jeep wrangler wiring. 46 2015 jeep wrangler radio wiring harness. 2012 jeep wrangler radio wiring diagram 
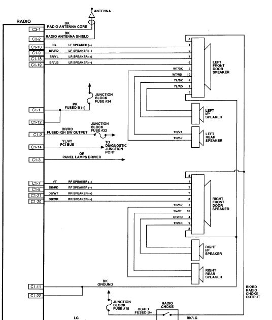
                              2008 jeep wrangler unlimited radio wiring diagram
                  Download PDF                      
  	     						  					  					  						  	  	  			  		   			  				Acadia diagrams avh untpikapps acadium
  				
  
  									  													Stereo relay.   						  													43 2010 jeep wrangler radio wiring harness. 2012 jeep wrangler radio wiring diagram. Wrangler liberty imageservice chanish   											
  							    		    			  												   						  							
  						2009 Hyundai Sonata Engine Diagram
   					   									   						  							
  						2013 Jeep Wrangler Radio Wiring Diagram Images - Wiring Diagram Sample
   					   									   						  							
  						Wiring Schematic For 2006 Jeep Liberty - Wiring Diagram Schemas
   					   									   						  							
  						44 Jeep Jk Radio Wiring Harness - Wiring Diagram Source Online
   					   									   						  							
  						46 2015 Jeep Wrangler Radio Wiring Harness - Wiring Diagram Source Online
   					   							  			  												  									  									  									  									  							  			  												  									  									  									  									  							  			  												  									  							  	   	
  		  	          					  				  			  			   
 
No comments: